Преобразуют абсолютное и избыточное давление от 0,01 до 2,5 МПа. Корпус датчика – металлостеклянный типа 3 с 8 выводами (TO-8) Давление измеряемой среды подаётся на лицевую сторону мембраны. Материал крышки – нержавеющая сталь для 202МСУ2ДА и 202МСУ4ДА и НК29 (ковар) с никелевым покрытием для 202МСУ1ДА и 202МСУ3ДА. Основание из сплава НК29 с золотым покрытием. Выпускается по ГАВЛ.408854.151ТУ.
Типономиналы преобразователей давления серии 202МСУ
|
Обозначение типономинала |
Вид измеряемого давления |
Верхний предел измерения давления, МПа |
|
202МСУ1ДА-0А01 |
абсолютное |
0,01 |
|
202МСУ1ДА-0А016 |
0,016 |
|
|
202МСУ1ДА-0А025 |
0,025 |
|
|
202МСУ1ДА-0А04 |
0,04 |
|
|
202МСУ1ДА-0А06 |
0,06 |
|
|
202МСУ1ДА-0А1 |
0,1 |
|
|
202МСУ1ДА-0А16 |
0,16 |
|
|
202МСУ2ДА-0А25 |
0,25 |
|
|
202МСУ2ДА-0А4 |
0,4 |
|
|
202МСУ2ДА-0А6 |
0,6 |
|
|
202МСУ2ДА-1А0 |
1,0 |
|
|
202МСУ2ДА-1А6 |
1,6 |
|
|
202МСУ2ДА-2А5 |
2,5 |
|
|
202МСУ3ДА-0И01 |
избыточное |
0,01 |
|
202МСУ3ДА-0И016 |
0,016 |
|
|
202МСУ3ДА-0И025 |
0,025 |
|
|
202МСУ3ДА-0И04 |
0,04 |
|
|
202МСУ3ДА-0И06 |
0,06 |
|
|
202МСУ3ДА-0И1 |
0,1 |
|
|
202МСУ3ДА-0И16 |
0,16 |
|
|
202МСУ4ДА-0И25 |
0,25 |
|
|
202МСУ4ДА-0И4 |
0,4 |
|
|
202МСУ4ДА-0И6 |
0,6 |
|
|
202МСУ4ДА-1И0 |
1,0 |
|
|
202МСУ4ДА-1И6 |
1,6 |
|
|
202МСУ4ДА-2И5 |
2,5 |
Примеры обозначения ПД при заказе:
Преобразователь давления 202МСУ1ДА-0А025 ГАВЛ.408854.151ТУ
Преобразователь давления 202МСУ4ДА-0И6 ГАВЛ.408854.151ТУ
Примечание: технические характеристики, габаритные размеры и электрические схемы изделий на сайте могут быть изменены без предварительного уведомления. Актуальная документация предоставляется потребителю по запросу.
Основные характеристики преобразователей давления серии 202МСУ
|
Наименование параметра, единица измерения |
Значение |
|
Напряжение питания, В |
от 4,85 до 5,15 |
|
Ток потребления не более, мА |
1 |
|
Напряжение смещения «нуля» |
от минус 5 до 5 |
|
Диапазон изменения выходного напряжения |
от 45 до 140 |
|
Напряжение на мостовой схеме, В |
от 2,4 до 2,9 |
|
Коэффициент температурного дрейфа диапазона выходного напряжения, |
от минус 0,25 до 0,25 |
|
Коэффициент температурного дрейфа напряжения смещения «нуля», % / 10 °С |
от минус 0,25 до 0,25 |
|
Нелинейность фактической передаточной характеристики, % |
от минус 0,25 до 0,25 |
|
Рабочий диапазон температур, °С |
от минус 50 до 85 |
Примечание: технические характеристики, габаритные размеры и электрические схемы изделий на сайте могут быть изменены без предварительного уведомления. Актуальная документация предоставляется потребителю по запросу.
Габаритные и установочные размеры преобразователей давления серии 202МСУ
|
|
Верхний предел измерения давления от 10 до 160 кПа (1,6 бар) |
Верхний предел измерения давления |
|
Преобразователи абсолютного давления |
![]()
|
![]()
|
|
Преобразователи избыточного давления |
![]() |
![]() |
Примечание: технические характеристики, габаритные размеры и электрические схемы изделий на сайте могут быть изменены без предварительного уведомления. Актуальная документация предоставляется потребителю по запросу.
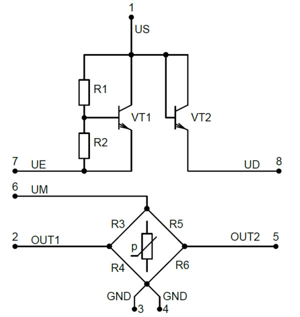
Электрическая схема преобразователей давления серии 202МСУ

|
СКАЧАТЬ ЭЛ. СХЕМУ Формат: pdf | Размер файла: 205 КВ |
|